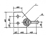
Накладка ОТ-6
Описание товара — Накладка ОТ-6:
Основная задача оттяжек ОТ-6 – компенсация огромных сил и моментов сил, возникновение которых вероятно при использовании конструкции в таком варианте.
Спецификация накладки ОТ-6
| Позиция | Наименование детали | Количество | Масса, кг |
|---|---|---|---|
| 1 | Полоса 12х180 ГОСТ103-76 | 1 | 5,00 |
| 2 | Скоба СКД-21 ГОСТ2724-78 | 1 |
Чертеж:
Вес:
5.00 кг.

